Descriere
DESCRIERE ȘI PARAMETRI:
Pompă de căldură aer-apă Centrometal HP-Cm Monoblock 16 kW A+++
Pompă de căldură monobloc modernă cu dimensiuni reduse și funcționare silențioasă. Cu compresor inverter pentru o funcționare economică, control de clasă superioară și unitate de control cu afișaj grafic. Eficiență de funcționare ridicată (COP 4,5/ SCOP 4,84) pentru încălzire, răcire și producerea de apă caldă menajeră. Funcționarea pompei de căldură necesită o conexiune electrică monofazată.
Pompa de căldură în configurația sa de bază este integrată în unitatea monobloc și conține componentele necesare pentru funcționare, cum ar fi pompa de circulație, vasul de expansiune, schimbătorul de căldură cu plăci sau comutatorul de debit.
La o temperatură a apei de circulație de 35°C: A+++ (ErP)
La 55°C temperatura apei de debit: A++ (ErP)
Interval de temperatură de funcționare încălzire: -25°C până la 35°C
Intervalul temperaturii de funcționare răcire: -5°C până la 43°C
Intervalul de temperatură de funcționare pentru producerea de apă caldă menajeră: -25°C până la 43°C
Intervalul de temperatură a apei pentru încălzire: de la 25°C la 65°C
Intervalul de temperatură a apei pentru răcire: 5°C - 25°C
Intervalul de temperatură a apei pentru producerea de apă caldă menajeră: 20°C până la 60°C
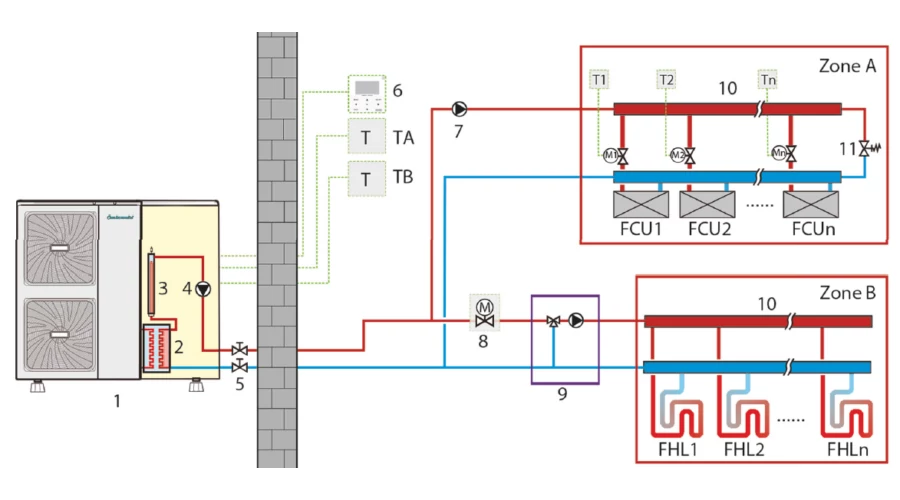
Cum ar putea arăta întregul sistem?
- Încălzirea,
- Răcire,
- Apă caldă menajeră într-un singur sistem
- Sistemul Monoblock este format dintr-o unitate exterioară care funcționează în mod silențios în exterior. În timpul funcționării, nivelul zgomot la putere maximă 72 dB, iar nivelul de presiune acustică este de maximum 59 dB.
- Din unitatea de controler controlează întregul sistem de încălzire, răcire și apă caldă menajeră, iar parametrii săi de funcționare pot fi modificați.
- Sistemul de încălzire poate fi conectat la sistem de incalzire de pardoseală, perete sau prin tavan, ventiloconvectoare sau chiar încălzirea cu radiatoare, ca ultimă soluție (consultați întotdeauna un profesionist dacă intenționați să vă conectați la un sistem de încălzire cu radiatoare).
- Pentru producerea de apă caldă menajeră, este necesară instalarea unui așa-numit rezervor de apă caldă indirectă cu o suprafață de schimb de căldură crescută(serpentină) în mod obișnuit.
- Rezervoarele noastre pentru preparaea apă caldă menajeră cu două serpentine pot fi conectate la un colector solar sau la o altă sursă de căldură, astfel încât apa caldă poate fi produsă în regim combinat.
- De asemenea, puteți utiliza unitățile cu ventiloconvector și sistemele de perete și de tavan pentru a răci locuința.
- De asemenea, pompa de căldură poate fi alimentată cu energie electrică de un sistem de panouri fotovoltaice.
- Control integrat al panoului fotovoltaice
- Conexiune pentru cablu electric de încălzire pentru a proteja circuitul de răcire și partea hidraulică a unității exterioare împotriva înghețului
- Detectarea de temperatură exterioară în 2 zone
- Se poate conecta o unitate de monitorizare la distanță
De ce sistemul Monoblock?
- Construcție simplă, toate componentele importante se află într-o singură unitate, amplasată în unitatea exterioară.
- Cablarea este simplă, poate fi realizată de un instalator sau, cu puțină îndemânare manuală, o puteți face singur, nu este nevoie de un tehnician specializat, autorizat să instaleze aparate de aer condiționat sau pompe de căldură (datorită designului monobloc)
- Garanție completă a producătorului pentru pompa de căldură. Sistemul este complex și poate fi conectat direct la sistemul de încălzire. Spre deosebire de unitățile split (cunoscute și sub numele de unități divizate), specialistul nu demontează sistemul pompei de căldură.
Principalele componente ale unității exterioare:
Schimbător de căldură cu suprafață mărită, cu tuburi de cupru cu diametrul de 9,5 mm și suprafață de placă placată cu aluminiu pe partea de aer, cu transfer termic superior. Suprafața exterioară a schimbătorului de căldură este tratată cu un material special anti-coroziune și de îmbunătățire a duratei de viață (albastru în imagine).
Motor de ventilator Panasonic DC fără perii, cu control continuu și variabil al vitezei, care contribuie în mod activ la un consum redus de energie electrică și la o funcționare silențioasă atât în modul de încălzire, cât și în cel de răcire.
Componente hidraulice cu pompă de circulație controlată prin frecvență (înălțime de ridicare de 9 m), rezervor vas de expansiune 5 litri și un motor electric auxiliar opțional de 2/4 kW disponibil la un cost suplimentar.
Compresor invertor de înaltă frecvență de concepție nouă, cu dublă echilibrare excentrică, încălzire a carterului, solenoid încorporat, funcționare silențioasă și gamă largă de funcționare. Noul motor invertor reduce nu numai nivelul de zgomot de funcționare, ci și consumul de energie al compresorului.
Datorită designului monobloc, este ușor de transportat, toate componentele sunt amplasate în unitatea exterioară, iar întreținerea poate fi efectuată rapid și ușor prin demontarea capacului frontal.
Unitate de control HPCU360iCM cu panou de control color și ecran tactil:
- Unitatea de control este adăpostită într-o cutie separată care poate fi atârnată pe perete sau pe unitatea hidraulică internă.
- Panoul de control cu sistem de meniuri ușor de utilizat și transparent, cu meniu de diagnosticare de service protejat prin coduri
- Interfață operator cu ecran tactil mare și afișaj grafic
- Setări de temperatură și de funcționare multi-nivel și programabile
- Interfața de control are un design mobil și nu este un dispozitiv fix
- Se poate conecta un modul wierless suplimentar
Caracteristicile principale ale controlului pompei de căldură Centrometal
- Panoul de control color și cu ecran tactil poate funcționa și ca termostat de cameră atunci când este plasat în camera încălzită
- Unitatea de control poate gestiona în mod standard următoarele
►Alternator hidraulic sau rezervor tampon(puffer)
►Un circuit direct de încălzire/răcire
►Două circuite mixte de încălzire/răcire (pot fi setate ca circuit direct)
►Boiler de apă caldă menajeră cu racord de recirculare
- Sisteme de încălzire opționale, încălzire prin pardoseală, ventiloconvector și radiator cu temperatură scăzută (nu este disponibil un mod de răcire pentru sistemul de încălzire cu radiator)
- Pentru circuitele mixte, în modul de încălzire, este posibil să se aleagă între controlul bazat pe temperatura exterioară/curba de încălzire sau temperatura constantă a debitului de apă, în timp ce în modul de răcire este disponibilă doar opțiunea de temperatură constantă a debitului
- Poate fi conectat la sisteme de încălzire prin pardoseală în care fiecare circuit de încălzire prin pardoseală este controlat de un termostat de cameră separat prin intermediul unor servomotoare de închidere. Acestea sunt conectate la un terminal comun care furnizează un semnal fără potențial la intrările circuitului mixt
- Controlerul poate controla o supapă de comutare cu trei căi (supapă de stocare cu arc), care direcționează apa de încălzire fie către rezervorul de apă caldă indirectă, fie către rezervorul hidraulic de comutare/tampon, în funcție de cererea curentă
- Timpii de comutare a încălzirii și răcirii pot fi temporizați
- Funcționare suplimentară de amplificare a încălzirii electrice ( dacă nu este disponibilă temperatura necesară a apei)
- Funcționarea unui cazan suplimentar pe gaz, peleți sau electric dacă temperatura necesară a apei nu este disponibilă
- Afișarea indicațiilor de defecțiune și a avertismentelor pe afișaj
- Meniu servo special protejatcu parolă, investigarea și depanare rapidă și ușoară a defecțiunilor.
Funcții preprogramate pentru control și operare:
- Funcțiile cele mai importante și cele mai frecvent utilizate sunt prioritatea de producere a încălzirii, răcirii și a preparaea apei calde menajere (ACM). Pompa de căldură va îndeplini funcția selectată ca funcție principală, utilizând la maximum capacitatea pompei de căldură.
►Atunci când este apăsat butonul HEAT (Încălzire), unitatea va încălzi clădire. Acest lucru va permite ca locuința să ajungă mai repede la temperatura dorită, în funcție de mărimea clădirii.
►Prin activarea programului cu ajutorul butonului COOL, răcirea va avea prioritate față de toate celelalte funcții, de exemplu atunci când locuința s-a încălzit puțin într-o zi călduroasă de toamnă sau de primăvară.
►Prin pornirea funcției ACM, pompa de căldură se va concentra pe producerea apei calde necesare în clădire.
- Încălzire rapidă a apei calde menajere - Ocazional, apa caldă din clădire se poate epuiza din boilerul de apă caldă menajeră, în astfel de cazuri se poate folosi această funcție, apa caldă va fi din nou disponibilă într-un timp foarte scurt!
- Modul AUTOMAT este cea mai frecventă setare pentru aparat. Cu ajutorul diverselor fitinguri și senzori, panoul de control menține temperatura clădirii în funcție de nevoile dvs. prestabilite, pe baza programului de bază setat din fabrică. ACM-ul este alimentat în timp ce sunt îndeplinite funcțiile de încălzire și răcire.
- Modul ECO, pentru cei care trăiesc în mod conștient din punct de vedere ecologic! Un mod ecologic de a opera o pompă de căldură care este deja eficientă din punct de vedere energetic. Puterea este cea minimă necesară pentru a îndeplini diferitele funcții folosind cât mai puțină energie.
- Modul COMFORT, întreaga putere este utilizată pentru a îndeplini funcțiile de bază ale pompei de căldură în intervalele de temperatură prestabilite.
- Modul de funcționare în timpul vacanției. Dacă aveți de gând să lipsiți pentru cel puțin 2 zile, ar trebui să activați această funcție. În acest caz, aparatul va seta alimentarea cu apă caldă menajeră la minim și încălzirea sau răcirea la temperatura presetată.
- Modul SILENT. Vă recomandăm să utilizați acest mod pentru momentele în care vă aflați în apropierea aparatului în exterior sau când nu doriți să vă deranjați vecinii pe timp de noapte. În acest caz, viteza ventilatorului este redusă și aparatul funcționează cu o emisie de zgomot mai mică.
- Modul PROTECȚIE. Este, de asemenea, o idee bună să activați această funcție din când în când pentru a preveni infecțiile transmise prin aer. Un mediu de încălzire la temperatură ridicată circulă prin sistem, dezinfectând conductele.
Ce soluții vă oferim?
O pompă de căldură poate îndeplini mai multe funcții diferite. Nevoile dumneavoastră, dimensiunea proprietății dumneavoastră și sistemele deja existente vor determina acest lucru. Oricare ar fi soluția cea mai bună pentru dvs., noi avem expertiza și contactele extinse cu producătorii pentru a vă ajuta să proiectați cel mai eficient sistem. Toate accesoriile, de la cel mai mic accesoriu până la diferitele tipuri de cazane auxiliare, vă stau la dispoziție!
Permiteți-ne să vă prezentăm un concept de proiectare a sistemului, vă rugăm să faceți clic pe imagini pentru a le mări:
1): Desen hidraulic cu transmisie hidraulică și boiler ACM
2): Desen hidraulic cu rezervor tampon și boiler ACM
În plus față de aceste opțiuni prezentate, există mult mai multe posibilități de proiectare a diferitelor tipuri de sisteme. Fie că doriți să controlați separat circuitele de încălzire sau de răcire, fie că doriți să adăugați un colector solar la producția de apă caldă menajeră. Sunați-ne sau trimiteți-ne un e-mail și vă vom contacta în cel mai scurt timp pentru a pune la punct cel mai bun sistem pentru dumneavoastră.
Accesorii disponibile
- Separator magnetic de nămol/filtrul magnetic (instalarea ca o condiție de garanție)
- - Boiler pentru apă caldă menajeră cu 1 sau 2 serpentină, în varianta montată pe perete sau pe podea
- - Rezistență electric suplimentar de încălzire cu o putere de 2 sau 4 kW pentru instalare în exterior sau interior (HPe2/4CM)
- - Modul wierless (HPnet300)
- - Termostat ambient cu ecran tactil fără fir (HPx40CM)
- - Modul suplimentar pentru a controla 2 circuite de încălzire mixte suplimentare (în total pot fi conectate 3 module suplimentare HPx2kCM)
- - Senzor de temperatură extern (NTC 10k) și intern pentru ACM sau rezervorul tampon(puffer) și circuitul de încălzire mixt (NTC 10k / L=4 m)
- - Vană de zonă motorizată (Caleffi) pentru circuitul de producere a apei calde menajere
- - Transmițător de radiofrecvență, necesar pentru termostatul ambient HPx40CM (HPrfCM)
- - Cazan pe peleți suplimentar pentru camera de apă, care să fie pornit de către controlul pompei de căldură
Producător |
Centrometal d.o.o. |
|
Greutatea încărcăturii de agent frigorific |
2,8 kg |
|
Putere nominală |
16 kW |
|
Putere nominală |
16 kW |
|
Putere |
16000 W |
|
Cerere de curent |
11 Amper |
|
Conexiune prev./Vi |
5/4" R |
|
Greutate |
106 kg |
|
Lățime |
865 mm |
|
Înălțime |
1040 mm |
|
Adâncime |
410 mm |
|
Perioada de garanție |
2 ani |

